Un problème de mécanique à résoudre, une pièce à trouver, une astuce ....
Ce forum à l'intention des passionnés de 10HP est là pour vous aider.
Il est géré par une équipe de bénévoles passionnés et est entièrement gratuit.
Toutefois si vous voulez l'utiliser pleinement, c'est à dire envoyer et recevoir des messages il vous faut au préalable recenser votre 10HP.
Une fiche à compléter, une photo à joindre et vous pourrez échanger sur le forum !
Vous pouvez le faire ici: Recensez votre véhicule
Cordialement
Le président
Roland
Ce forum à l'intention des passionnés de 10HP est là pour vous aider.
Il est géré par une équipe de bénévoles passionnés et est entièrement gratuit.
Toutefois si vous voulez l'utiliser pleinement, c'est à dire envoyer et recevoir des messages il vous faut au préalable recenser votre 10HP.
Une fiche à compléter, une photo à joindre et vous pourrez échanger sur le forum !
Vous pouvez le faire ici: Recensez votre véhicule
Cordialement
Le président
Roland
robinet d'essence
- Chouka62
- Messages : 120
- Inscription : 23 déc. 2014, 19:15
- 10HP car : B14G berline 1928, ROSALIE 8A 1933
- Localisation : Tarn
Re: robinet d'essence
Merci Fonfon,
Je fais le plan ce week end et demanderai un devis en suivant.
Á plus
Cordialement
Philippe
Je fais le plan ce week end et demanderai un devis en suivant.
Á plus
Cordialement
Philippe
Philippe
Citroen B14G 1928 en cours de restauration
Citroen ROSALIE 8A 1933
Citroen B14G 1928 en cours de restauration
Citroen ROSALIE 8A 1933
- Chouka62
- Messages : 120
- Inscription : 23 déc. 2014, 19:15
- 10HP car : B14G berline 1928, ROSALIE 8A 1933
- Localisation : Tarn
Re: robinet d'essence
Bonsoir,
Voici le plan de l'axe avec les cotes communiquées par Fonfon, merci à lui.
Cordialement
Philippe
Voici le plan de l'axe avec les cotes communiquées par Fonfon, merci à lui.
Cordialement
Philippe
Philippe
Citroen B14G 1928 en cours de restauration
Citroen ROSALIE 8A 1933
Citroen B14G 1928 en cours de restauration
Citroen ROSALIE 8A 1933
Re: robinet d'essence
Je ai reçu un devis approximatif pour le coût casting.The à moi pour faire un petit lot de dix est individuellement € 47 chacun. l'option est de prendre le moulage brut et la machine vous-même ou je peut organiser son usiné à un coût supplémentaire. Je ne recommande que les trous de l'essieu sont faits pour correspondre à l'essieu spécifique alésage sur.
Se il vous plaît laissez-moi savoir se il ya un intérêt
Geoff
Se il vous plaît laissez-moi savoir se il ya un intérêt
Geoff
-
fonfon
- Messages : 395
- Inscription : 12 avr. 2013, 23:56
- 10HP car : B14G 6 glaces 1928, B14F utilitaire 1927
- Localisation : nord gironde
Re: robinet d'essence
bonjour Geoff
je suis intéressé pour 1 exemplaire brut, merci.
Philippe, sur ton plan tu as oublié le diamètre du petit cylindre de 10,1mm, celui traversé par la goupille en acier.
sinon c'est très bien fait, je n'ai jamais réussi à faire un plan sur un ordinateur...
je suis intéressé pour 1 exemplaire brut, merci.
Philippe, sur ton plan tu as oublié le diamètre du petit cylindre de 10,1mm, celui traversé par la goupille en acier.
sinon c'est très bien fait, je n'ai jamais réussi à faire un plan sur un ordinateur...
- Chouka62
- Messages : 120
- Inscription : 23 déc. 2014, 19:15
- 10HP car : B14G berline 1928, ROSALIE 8A 1933
- Localisation : Tarn
Re: robinet d'essence
Merci Fonfon, Je vais corriger le plan.
Pour la pièce proposée par Geoff, j'attend des devis (un en usinage Aluminium et l'autre en fonderie fonte) je relance mes fournisseurs et fais un retour sur le forum dès que possible.
En fonction des tarifs, je suis aussi intéressé par le chapeau de robinet brut pour ajuster les perçages á l'axe usiné par ailleurs.
Cordialement
Philippe
Pour la pièce proposée par Geoff, j'attend des devis (un en usinage Aluminium et l'autre en fonderie fonte) je relance mes fournisseurs et fais un retour sur le forum dès que possible.
En fonction des tarifs, je suis aussi intéressé par le chapeau de robinet brut pour ajuster les perçages á l'axe usiné par ailleurs.
Cordialement
Philippe
Philippe
Citroen B14G 1928 en cours de restauration
Citroen ROSALIE 8A 1933
Citroen B14G 1928 en cours de restauration
Citroen ROSALIE 8A 1933
Re: robinet d'essence
Bonsoir Gentlemen
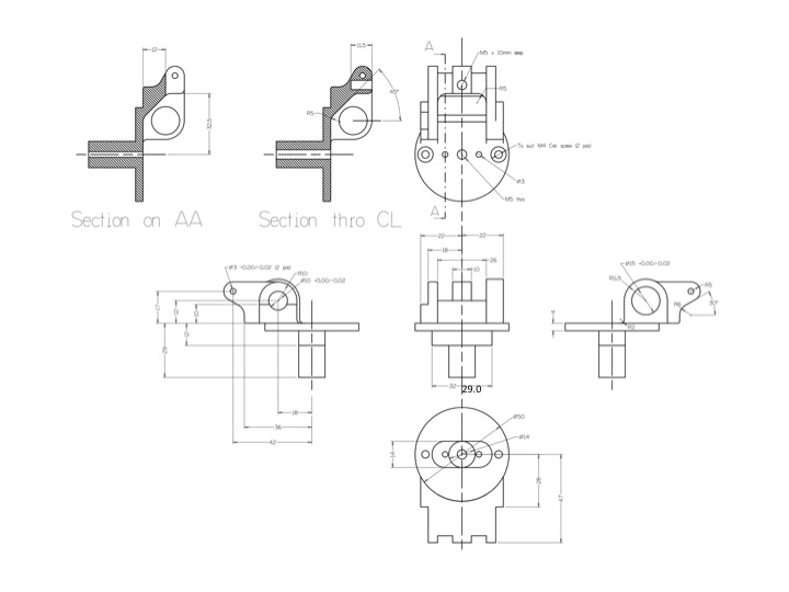
Voici le dessin de l'interrupteur de carburant qui est utilisé JPEG pour créer le modèle stéréolithographie (3D) qui a formé la fonte d'aluminium. Je l'ai dans DXF, mais ne peux pas importer sur le forum.
Je ai visité l'usine pour voir la première de coulée qu'ils sont faits sur une petite base de lot, l'entreprise fait beaucoup de pièces moulées pour le monde de l'avionique. La dimension 32mm devrait être 29.00mm
Cordialement Geoff
Voici le dessin de l'interrupteur de carburant qui est utilisé JPEG pour créer le modèle stéréolithographie (3D) qui a formé la fonte d'aluminium. Je l'ai dans DXF, mais ne peux pas importer sur le forum.
Je ai visité l'usine pour voir la première de coulée qu'ils sont faits sur une petite base de lot, l'entreprise fait beaucoup de pièces moulées pour le monde de l'avionique. La dimension 32mm devrait être 29.00mm
Cordialement Geoff
- Chouka62
- Messages : 120
- Inscription : 23 déc. 2014, 19:15
- 10HP car : B14G berline 1928, ROSALIE 8A 1933
- Localisation : Tarn
Re: robinet d'essence
Bonjour Geoff,
Merci beaucoup pour ce plan, par contre toutes les côtes ne sont pas trés lisibles, pourriez vous m'envoyer votre dxf par MP ?
Concernant la cote de 32 qui doit être de 29mm parlez vous de la cote de la partie basse de forme oblonde ? En effet, le trou du réservoir devant la recevoir fait 30 mm (la cote de 32 est donc trop forte).
Cordialement
Philippe
Merci beaucoup pour ce plan, par contre toutes les côtes ne sont pas trés lisibles, pourriez vous m'envoyer votre dxf par MP ?
Concernant la cote de 32 qui doit être de 29mm parlez vous de la cote de la partie basse de forme oblonde ? En effet, le trou du réservoir devant la recevoir fait 30 mm (la cote de 32 est donc trop forte).
Cordialement
Philippe
Philippe
Citroen B14G 1928 en cours de restauration
Citroen ROSALIE 8A 1933
Citroen B14G 1928 en cours de restauration
Citroen ROSALIE 8A 1933
- christian
- Messages : 487
- Inscription : 01 déc. 2006, 18:20
- 10HP car : B 14 G
- Localisation : languedoc roussillon
- Contact :
Re: robinet d'essence
bjr
j'ai pris quelque cotes ,pour la réalisation du cache poussière en zamak que je possède , il n'est pas en parfait etat mais avec quelque photos la realisation doit etre possible .
pour d'autre cotes importante ou celle que j'aurai oublié vous pouver me contacter .
j'ai pris quelque cotes ,pour la réalisation du cache poussière en zamak que je possède , il n'est pas en parfait etat mais avec quelque photos la realisation doit etre possible .
pour d'autre cotes importante ou celle que j'aurai oublié vous pouver me contacter .
avec deux citroen les jours sont vraiment bien
a+
cordialement
B 14 G limousine 6 glaces 1928
11 BL 1953
404 Cabriolet 1967
https://lesvieuxvolantsdugevaudan.e-monsite.com/
a+
cordialement
B 14 G limousine 6 glaces 1928
11 BL 1953
404 Cabriolet 1967
https://lesvieuxvolantsdugevaudan.e-monsite.com/
- Chouka62
- Messages : 120
- Inscription : 23 déc. 2014, 19:15
- 10HP car : B14G berline 1928, ROSALIE 8A 1933
- Localisation : Tarn
Re: robinet d'essence
Bonsoir à tous,
Ci joint le dessin du cache poussière réalisé à partir des cotes données par Christian et l'adaptation de la pièce au chapeau du robinet d'essence réalisé par Geoff.
Cela complète bien cette dernière pièce, peut être pouvons nous envisager une re fabrication complémentaire des deux pièces.
Cordialement
Philippe
Ci joint le dessin du cache poussière réalisé à partir des cotes données par Christian et l'adaptation de la pièce au chapeau du robinet d'essence réalisé par Geoff.
Cela complète bien cette dernière pièce, peut être pouvons nous envisager une re fabrication complémentaire des deux pièces.
Cordialement
Philippe
Philippe
Citroen B14G 1928 en cours de restauration
Citroen ROSALIE 8A 1933
Citroen B14G 1928 en cours de restauration
Citroen ROSALIE 8A 1933
Re: robinet d'essence
Bonsoir
Deux versions de la couverture pour le robinet, on est ZAMAK et l'autre d'acier emboutie, la version ZAMAK est en très bon état, donc je peux aider à vérifier les dimensions.
Geoff
Deux versions de la couverture pour le robinet, on est ZAMAK et l'autre d'acier emboutie, la version ZAMAK est en très bon état, donc je peux aider à vérifier les dimensions.
Geoff
Re: robinet d'essence
Bonjour SEB
Je l'ai essayé d'envoyer un message privé à Chouka 62 mais il semble qu'ils messages bloqués dans la boîte d'envoi, savez-vous pourquoi yhis se passe.
Merci
Geoff
Je l'ai essayé d'envoyer un message privé à Chouka 62 mais il semble qu'ils messages bloqués dans la boîte d'envoi, savez-vous pourquoi yhis se passe.
Merci
Geoff
Re: robinet d'essence
Bonjour Phillipe
May I check with you, that you received the e mail I sent last week with some revised dimensions for you to verify?
There were some pictures too, there may have been too may attachments to pass through the firewall,
Regards Geoff
May I check with you, that you received the e mail I sent last week with some revised dimensions for you to verify?
There were some pictures too, there may have been too may attachments to pass through the firewall,
Regards Geoff
- Chouka62
- Messages : 120
- Inscription : 23 déc. 2014, 19:15
- 10HP car : B14G berline 1928, ROSALIE 8A 1933
- Localisation : Tarn
Re: robinet d'essence
Geoff,
Yes I've received it thank you very much (I was not at home).
Let me have a look to it and I'll come back to you soon concerning the cover and your question on the lights.
Best regards
Philippe
Yes I've received it thank you very much (I was not at home).
Let me have a look to it and I'll come back to you soon concerning the cover and your question on the lights.
Best regards
Philippe
Philippe
Citroen B14G 1928 en cours de restauration
Citroen ROSALIE 8A 1933
Citroen B14G 1928 en cours de restauration
Citroen ROSALIE 8A 1933
- Chouka62
- Messages : 120
- Inscription : 23 déc. 2014, 19:15
- 10HP car : B14G berline 1928, ROSALIE 8A 1933
- Localisation : Tarn
Re: robinet d'essence
Bonjour,
J'ai reçu un premier devis en usinage concernant le "chapeau de robinet d'essence", le coût comparé à l'estimation de Geoff à 47€ est beaucoup plus élevé, même pour 10 pièces. Donc cette piste n'est pas à suivre.
Concernant "l'axe de commande du robinet d'essence" qui est la pièce qui se monte dans la précédente, le coût est plus raisonnable :
62,4 €/unité pour 5 pièce plus frais d'expédition
46,8 €/unité pour 10 pièces plus frais d'expédition, et moins si nous sommes plus nombreux.
La seule finition qui sera à réaliser nous même sera l'arrondi en rayon 3 (voir plan joint).
Y a-t-il des personnes intéressées ? Si oui, merci de me contacter, je ne lancerai l'opération que si nous sommes suffisamment nombreux.
Cordialement
Philippe
J'ai reçu un premier devis en usinage concernant le "chapeau de robinet d'essence", le coût comparé à l'estimation de Geoff à 47€ est beaucoup plus élevé, même pour 10 pièces. Donc cette piste n'est pas à suivre.
Concernant "l'axe de commande du robinet d'essence" qui est la pièce qui se monte dans la précédente, le coût est plus raisonnable :
62,4 €/unité pour 5 pièce plus frais d'expédition
46,8 €/unité pour 10 pièces plus frais d'expédition, et moins si nous sommes plus nombreux.
La seule finition qui sera à réaliser nous même sera l'arrondi en rayon 3 (voir plan joint).
Y a-t-il des personnes intéressées ? Si oui, merci de me contacter, je ne lancerai l'opération que si nous sommes suffisamment nombreux.
Cordialement
Philippe
Philippe
Citroen B14G 1928 en cours de restauration
Citroen ROSALIE 8A 1933
Citroen B14G 1928 en cours de restauration
Citroen ROSALIE 8A 1933
Re: robinet d'essence
Bonsoir
Je rassemble 10 pièces moulées demain qui nécessitera le forage et les gens peuvent les aimer anodisé. En ce qui concerne le forage je peux prendre des dispositions pour les trous de fixation dans la surface supérieure foré mais je me sens le l'axe de commande du robinet d'essence serait mieux foré pour adapter le produit que si elle est une forme propre. Je parcourus mon l'axe de commande du robinet d'essence sur un tour pour le nettoyer de sorte qu'il est légèrement plus petit que la taille originale.
Donc, si votre intéressé par l'un de ces s'il vous plaît laissez-moi savoir en utilisant le PM
Je vais poster ces quand je suis à notre maison dans le Var en Juillet pour réduire le coût de l'affranchissement.
Cordialement
Geoff
Je rassemble 10 pièces moulées demain qui nécessitera le forage et les gens peuvent les aimer anodisé. En ce qui concerne le forage je peux prendre des dispositions pour les trous de fixation dans la surface supérieure foré mais je me sens le l'axe de commande du robinet d'essence serait mieux foré pour adapter le produit que si elle est une forme propre. Je parcourus mon l'axe de commande du robinet d'essence sur un tour pour le nettoyer de sorte qu'il est légèrement plus petit que la taille originale.
Donc, si votre intéressé par l'un de ces s'il vous plaît laissez-moi savoir en utilisant le PM
Je vais poster ces quand je suis à notre maison dans le Var en Juillet pour réduire le coût de l'affranchissement.
Cordialement
Geoff