Un problème de mécanique à résoudre, une pièce à trouver, une astuce ....

Ce forum à l'intention des passionnés de 10HP est là pour vous aider.


Il est géré par une équipe de bénévoles passionnés et est entièrement gratuit.

Toutefois si vous voulez l'utiliser pleinement, c'est à dire envoyer et recevoir des messages il vous faut au préalable recenser votre 10HP.

Une fiche à compléter, une photo à joindre et vous pourrez échanger sur le forum !

Vous pouvez le faire ici: Recensez votre véhicule


Cordialement

Le président

Roland

robinet d'essence

Moteur, boite, pont, suspensions, freins...

Modérateurs : Citron, schum22

michel54
Messages : 21
Inscription : 26 août 2011, 15:25
10HP car : b14g 1928
Localisation : meurthe et moselle

Re: robinet d'essence

Message par michel54 »

oui c'est bien cette pièce qu'il me manque.
citroen B14G 1928
michel54
Messages : 21
Inscription : 26 août 2011, 15:25
10HP car : b14g 1928
Localisation : meurthe et moselle

Re: robinet d'essence

Message par michel54 »

merci Geoff, je vais essayer de retrouver votre poste.
citroen B14G 1928
michel54
Messages : 21
Inscription : 26 août 2011, 15:25
10HP car : b14g 1928
Localisation : meurthe et moselle

Re: robinet d'essence

Message par michel54 »

Geoff, j'ai bien retrouvé votre poste mais il n'y a pas le fichier avec les dimensions dont vous parlez.

je travaille avec des fonderies, avec les dimensions et le modèle 3D de Bib17, je pourrais le faire refaire.
citroen B14G 1928
geoff
Messages : 193
Inscription : 27 août 2008, 11:19
Localisation : Devon UK citroen b14g

Re: robinet d'essence

Message par geoff »

Bonjour

envoyez-moi votre adresse email et je vous enverrai le fichier DXF

geoff
emlaserve
Messages : 456
Inscription : 05 janv. 2008, 21:22
Localisation : 42
Contact :

Re: robinet d'essence

Message par emlaserve »

clement a écrit :Geoff, j'ai bien retrouvé votre poste mais il n'y a pas le fichier avec les dimensions dont vous parlez.

je travaille avec des fonderies, avec les dimensions et le modèle 3D de Bib17, je pourrais le faire refaire.

Bonsoir

Si j'ai bien tout compris vous êtes sur le point de faire réaliser la pièce constituant le robinet d'essence.
Sur la voiture que je restaure cette pièce est en mille morceaux pensez vous en faire couler une seule ou alors plusieurs que vous pourriez revendre au gens du forum?
En vous remerciant pour votre aide.
Visitez mon blog sur la resto d'une Mathis
http://emlaserve.skyrock.com/
bib17
Messages : 52
Inscription : 15 août 2007, 15:56
Localisation : charente maritime

Re: robinet d'essence

Message par bib17 »

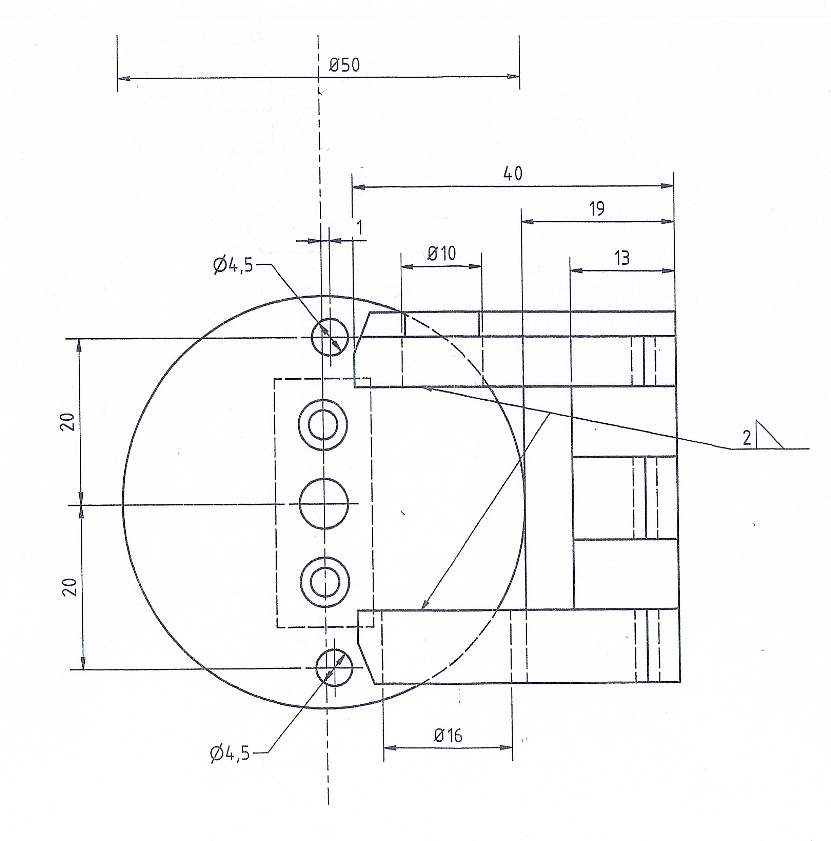
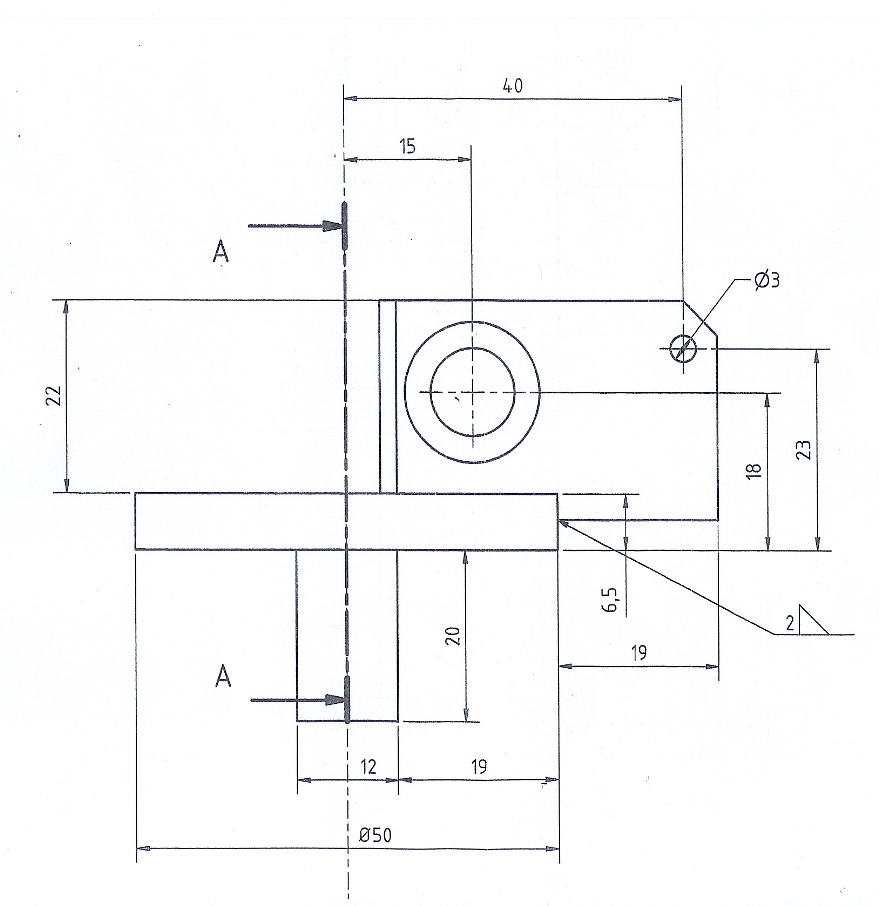
bonsoir à tous,
je penses que je vais faire plaisir ....
voici des photos !!!
3 vues en 3D-.jpg
3 vues  cote 1-.jpg
3 vues  cote 2-.jpg
3 vues  cote 3-.jpg
est ce clair, alors bonne confection,
le mien est en alu .... et fonctionne nickel !!!
bonjour à tous,
je rénove une B14G 4 glaces de 1928, elle est au remontage, acheté en 1990, je mets le temps........., et je tourne avec une B14G torpédo commercial de 1928 passé au CT le 13 juillet 2010
emlaserve
Messages : 456
Inscription : 05 janv. 2008, 21:22
Localisation : 42
Contact :

Re: robinet d'essence

Message par emlaserve »

bib17 a écrit :bonsoir à tous,
je penses que je vais faire plaisir ....
voici des photos !!!
3 vues en 3D-.jpg
3 vues cote 1-.jpg
3 vues cote 2-.jpg
3 vues cote 3-.jpg
est ce clair, alors bonne confection,
le mien est en alu .... et fonctionne nickel !!!
Oui effectivement mais peux tu me les trasnférer en mp dans une taille normale pour mieux les exploiter?

En te remerciant
Visitez mon blog sur la resto d'une Mathis
http://emlaserve.skyrock.com/
Avatar de l’utilisateur
schum22
Administrateur - Site Admin
Messages : 3241
Inscription : 17 nov. 2006, 09:23
Localisation : Côtes du Nord

Re: robinet d'essence

Message par schum22 »

La taille est suffisamment importante pour les exploiter sauf si tu veux les avoir en DXF.
Seb
Administrateur du Forum 10hp
B14F Torpédo Commercial 1927
michel54
Messages : 21
Inscription : 26 août 2011, 15:25
10HP car : b14g 1928
Localisation : meurthe et moselle

Re: robinet d'essence

Message par michel54 »

pour répondre à emlaserve, oui il n'y aura pas de problème, la pièce sera refaite, donc je la proposerai sur le forum, je remercie bib17 pour ses cotes, la pièce est déjà au stade du 3d
la consultation pour le moulage a été fait. donc encore un peu de patiente pour voir la finalité. merci et bonsoir o tous les deux
citroen B14G 1928
emlaserve
Messages : 456
Inscription : 05 janv. 2008, 21:22
Localisation : 42
Contact :

Re: robinet d'essence

Message par emlaserve »

Bonjour
As tu pu avancer dans la réalisations du robinet en fonderie?
Visitez mon blog sur la resto d'une Mathis
http://emlaserve.skyrock.com/
michel54
Messages : 21
Inscription : 26 août 2011, 15:25
10HP car : b14g 1928
Localisation : meurthe et moselle

Re: robinet d'essence

Message par michel54 »

la pièce est en cours de coulage, elle sera faite en alu. je vous tiens au courant.
citroen B14G 1928
geoff
Messages : 193
Inscription : 27 août 2008, 11:19
Localisation : Devon UK citroen b14g

Re: robinet d'essence

Message par geoff »

Bonjour Clement

Était les fichiers DXF je vous ai envoyé OK?

Geoff
michel54
Messages : 21
Inscription : 26 août 2011, 15:25
10HP car : b14g 1928
Localisation : meurthe et moselle

Re: robinet d'essence

Message par michel54 »

geoff a écrit :Bonjour Clement

Était les fichiers DXF je vous ai envoyé OK?

Geoff
Bonjour Geoff,

Oui je me basé sur vos fichiers pour faire la pièce modèle qui est partie en fonderie. Merci beaucoup.
citroen B14G 1928
emlaserve
Messages : 456
Inscription : 05 janv. 2008, 21:22
Localisation : 42
Contact :

Re: robinet d'essence

Message par emlaserve »

Bonsoir Clément
Merci pour ces précisions
Visitez mon blog sur la resto d'une Mathis
http://emlaserve.skyrock.com/
michel54
Messages : 21
Inscription : 26 août 2011, 15:25
10HP car : b14g 1928
Localisation : meurthe et moselle

Re: robinet d'essence

Message par michel54 »

Bonjour,

Voici la première pièce coulée, le résultat est plus que satisfaisant. Il ne reste plus qu'à percer les trous et y installer les lames d'ouverture. Les autres pièces seront coulées prochainement, je vous tiendrais au courant.

Place aux photos:
Photo 1
Photo 1
Photo 2
Photo 2
citroen B14G 1928
Répondre